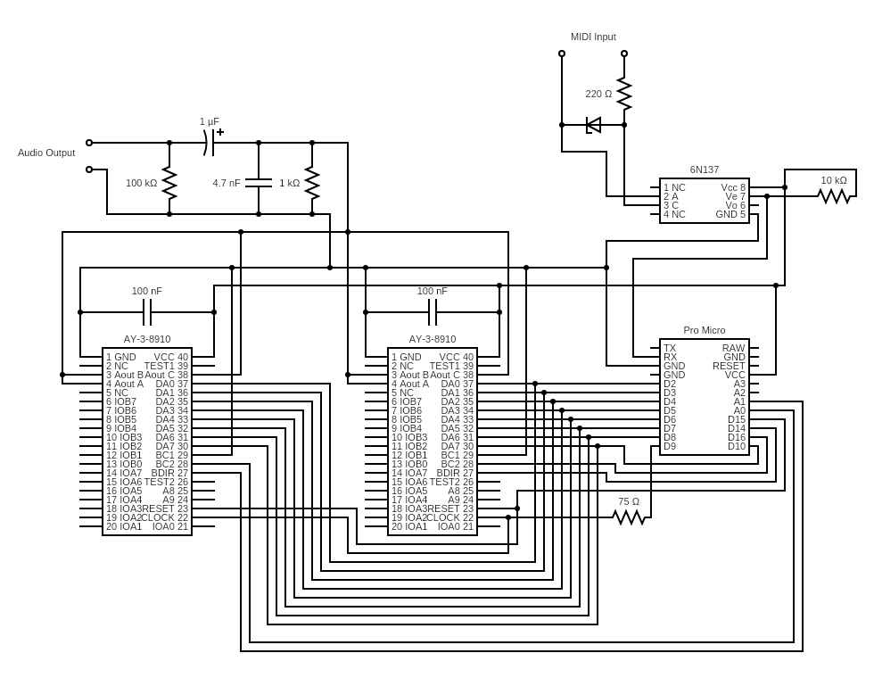
Dual AY-3-8910 MIDI module
For the last couple years I've been fascinated by MIDI and its ability to both play music in real time and record the signalling for later playback and refinement. That's all well and good but wheres the fun in just buying off the shelf equipment when you could make your own? Specifically I'm calking about MIDI controlled "sound modules" that take a MIDI input, and output sound. Often you would use MIDI to control a synthesizer, electric piano, or some other purpose built instrument; but why not programmable sound generators (PSG) like an AY-3-8910 from General Instruments!
There are several guides and hundreds of other people that have done this previously with a single chip but I want to control two chips at once. A single 8910 has 3 output channels, so it can play 3 notes at once. With a bit of work, and the correct timing, multiple chips can be used together to increase the note count.
My work below is a derivative of the code and design by TheSpodShed on Instructables available here: https://www.instructables.com/Arduino-MIDI-Chiptune-Synthesizer/
Theory
The AY-3-9810 is relatively simple to work with requiring only a data bus, a couple control lines, a 1 MHz clock, and reset. The datasheet (available here) describes the connectivity requirements in detail. The code by TheSpodShed has a neat feature where if more than 3 notes are played at once one of the middle notes will be dropped while the highest and lowest notes continue to play. This does a pretty good job of getting around the note limitation but it isn't without its faults.
To control two chips the data bus, clock, and reset can be shared but we need two more I/O pins on the Arduino (more on this later).
The circuit
The entire circuit is powered by over USB and the Arduino generates the 1 MHz clock for simplicity's sake.
The AY-3-8910 datasheet provides a reduced control scheme to save an I/O pin but I was unable to get this work reliably. I instead came up with an alternative reduced control scheme.
The original control scheme can be reduced to a much simpler to use method where BC1 is grounded and READ is never used. This allows the Arduino to change one output at a time to transition between states removing the need for precise timing.
| BDIR | BC2 | BC1 | Function |
|---|---|---|---|
| 0 | 0 | 0 | INACTIVE |
| 1 | 1 | 0 | WRITE |
| 1 | 0 | 0 | LATCH |
Code
You will need the Arduino MIDI library installed as well as the USBMIDI library if you want to use USB.
Download here: File:Dual AY-3-8910 MIDI.ino
1 // Uncomment to enable traiditonal serial midi
2 #define SERIALMIDI
3
4 // Uncomment to enable USB midi
5 #define USBMIDI
6
7 // Uncomment to enable debugging output over USB serial
8 //#define DEBUG
9
10 #include <avr/io.h>
11
12 #ifdef USBMIDI
13 #include "MIDIUSB.h"
14 #endif
15
16 // We borrow one struct from MIDIUSB for traditional serial midi, so define it if were not using USBMIDI
17 #ifndef MIDIUSB_h
18 typedef struct
19 {
20 uint8_t header;
21 uint8_t byte1;
22 uint8_t byte2;
23 uint8_t byte3;
24 } midiEventPacket_t;
25 #endif
26
27 #ifdef SERIALMIDI
28 #include <MIDI.h>
29 MIDI_CREATE_INSTANCE(HardwareSerial, Serial1, MIDI);//Serial1 on pro micro
30 #endif
31
32 typedef unsigned short int ushort;
33
34 typedef unsigned char note_t;
35 #define NOTE_OFF 0
36
37 typedef unsigned char midictrl_t;
38
39 // Pin driver ---------------------------------------------
40
41 static const int dbus[8] = { 2, 3, 4, 5, 6, 7, 8, 10 };
42
43 static const ushort
44 BC2_A = 16,
45 BDIR_A = 14,
46 BC2_B = A0,
47 BDIR_B = A1,
48 nRESET = 15,
49 clkOUT = 9;
50
51 static const ushort DIVISOR = 7; // Set for 1MHz clock
52
53 static void clockSetup() {
54 // Timer 1 setup for Mega32U4 devices
55 //
56 // Use CTC mode: WGM13..0 = 0100
57 // Toggle OC1A on Compare Match: COM1A1..0 = 01
58 // Use ClkIO with no prescaling: CS12..0 = 001
59 // Interrupts off: TIMSK0 = 0
60 // OCR0A = interval value
61
62 TCCR1A = (1 << COM1A0);
63 TCCR1B = (1 << WGM12) | (1 << CS10);
64 TCCR1C = 0;
65 TIMSK1 = 0;
66 OCR1AH = 0;
67 OCR1AL = DIVISOR; // NB write high byte first
68 }
69
70 static void setData(unsigned char db) {
71 unsigned char bit = 1;
72 for (ushort i = 0; i < 8; i++) {
73 digitalWrite(dbus[i], (db & bit) ? HIGH : LOW);
74 bit <<= 1;
75 }
76 }
77
78 static void writeReg_A(unsigned char reg, unsigned char db) {
79 // This is a bit of an odd way to do it, BC1 is kept low and NACT, BAR, IAB, and DWS are used.
80 // BC1 is kept low the entire time.
81
82 // Inactive (BDIR BC2 BC1 0 0 0)
83 digitalWrite(BDIR_A, LOW);
84 digitalWrite(BC2_A, LOW);
85
86 //Set register address
87 setData(reg);
88
89 // BAR (Latch) (BDIR BC2 BC1 1 0 0)
90 digitalWrite(BDIR_A, HIGH);
91
92 // Inactive (BDIR BC2 BC1 0 0 0)
93 digitalWrite(BDIR_A, LOW);
94
95 //Set register contents
96 setData(db);
97
98 // Write (BDIR BC2 BC1 1 1 0)
99 digitalWrite(BC2_A, HIGH);
100 digitalWrite(BDIR_A, HIGH);
101
102 // Inactive (BDIR BC2 BC1 0 0 0)
103 digitalWrite(BC2_A, LOW);
104 digitalWrite(BDIR_A, LOW);
105 }
106
107 static void writeReg_B(unsigned char reg, unsigned char db) {
108 // This is a bit of an odd way to do it, BC1 is kept low and NACT, BAR, IAB, and DWS are used.
109 // BC1 is kept low the entire time.
110
111 // Inactive (BDIR BC2 BC1 0 0 0)
112 digitalWrite(BDIR_B, LOW);
113 digitalWrite(BC2_B, LOW);
114
115 //Set register address
116 setData(reg);
117
118 // BAR (Latch) (BDIR BC2 BC1 1 0 0)
119 digitalWrite(BDIR_B, HIGH);
120
121 // Inactive (BDIR BC2 BC1 0 0 0)
122 digitalWrite(BDIR_B, LOW);
123
124 //Set register contents
125 setData(db);
126
127 // Write (BDIR BC2 BC1 1 1 0)
128 digitalWrite(BC2_B, HIGH);
129 digitalWrite(BDIR_B, HIGH);
130
131 // Inactive (BDIR BC2 BC1 0 0 0)
132 digitalWrite(BC2_B, LOW);
133 digitalWrite(BDIR_B, LOW);
134 }
135
136 // AY-3-8910 driver ---------------------------------------
137
138 class PSGRegs {
139 public:
140 enum {
141 TONEALOW = 0,
142 TONEAHIGH,
143 TONEBLOW,
144 TONEBHIGH,
145 TONECLOW,
146 TONECHIGH,
147 NOISEGEN,
148 MIXER,
149
150 TONEAAMPL,
151 TONEBAMPL,
152 TONECAMPL,
153 ENVLOW,
154 ENVHIGH,
155 ENVSHAPE,
156 IOA,
157 IOB
158 };
159
160 unsigned char regs_A[16];
161 unsigned char regs_B[16];
162
163 unsigned char lastregs_A[16];
164 unsigned char lastregs_B[16];
165
166 void init() {
167 for (int i = 0; i < 16; i++) {
168 regs_A[i] = lastregs_A[i] = 0xFF;
169 writeReg_A(i, regs_A[i]);
170
171 regs_B[i] = lastregs_B[i] = 0xFF;
172 writeReg_B(i, regs_B[i]);
173 }
174 }
175
176 void update() {
177 for (int i = 0; i < 16; i++) {
178 if (regs_A[i] != lastregs_A[i]) {
179 writeReg_A(i, regs_A[i]);
180 lastregs_A[i] = regs_A[i];
181 }
182
183 if (regs_B[i] != lastregs_B[i]) {
184 writeReg_B(i, regs_B[i]);
185 lastregs_B[i] = regs_B[i];
186 }
187 }
188 }
189
190 void setTone(ushort ch, ushort divisor, ushort ampl) {
191 if (ch > 2) {
192 //reduce channel to usable range
193 ch = ch - 3;
194 //use regs_B
195 regs_B[TONEALOW + (ch<<1)] = (divisor & 0xFF);
196 regs_B[TONEAHIGH + (ch<<1)] = (divisor >> 8);
197 regs_B[TONEAAMPL + ch] = ampl;
198
199 ushort mask = (8+1) << ch;
200 regs_B[MIXER] = (regs_B[MIXER] | mask) ^ (1 << ch);
201
202 return;
203 }
204
205 regs_A[TONEALOW + (ch<<1)] = (divisor & 0xFF);
206 regs_A[TONEAHIGH + (ch<<1)] = (divisor >> 8);
207 regs_A[TONEAAMPL + ch] = ampl;
208
209 ushort mask = (8+1) << ch;
210 regs_A[MIXER] = (regs_A[MIXER] | mask) ^ (1 << ch);
211 }
212
213 void setToneAndNoise(ushort ch, ushort divisor, ushort noisefreq, ushort ampl) {
214 if (ch > 2) {
215 //reduce channel to usable range
216 ch = ch - 3;
217 //use regs_B
218 regs_B[TONEALOW + (ch<<1)] = (divisor & 0xFF);
219 regs_B[TONEAHIGH + (ch<<1)] = (divisor >> 8);
220 regs_B[NOISEGEN] = noisefreq;
221 regs_B[TONEAAMPL + ch] = ampl;
222
223 ushort mask = (8+1) << ch;
224 ushort bits = (noisefreq < 16 ? 8 : 0) + (divisor > 0 ? 1 : 0);
225 regs_B[MIXER] = (regs_B[MIXER] | mask) ^ (bits << ch);
226
227 return;
228 }
229
230 regs_A[TONEALOW + (ch<<1)] = (divisor & 0xFF);
231 regs_A[TONEAHIGH + (ch<<1)] = (divisor >> 8);
232 regs_A[NOISEGEN] = noisefreq;
233 regs_A[TONEAAMPL + ch] = ampl;
234
235 ushort mask = (8+1) << ch;
236 ushort bits = (noisefreq < 16 ? 8 : 0) + (divisor > 0 ? 1 : 0);
237 regs_A[MIXER] = (regs_A[MIXER] | mask) ^ (bits << ch);
238 }
239
240 void setEnvelope(ushort divisor, ushort shape) {
241 regs_A[ENVLOW] = (divisor & 0xFF);
242 regs_A[ENVHIGH] = (divisor >> 8);
243 regs_A[ENVSHAPE] = shape;
244
245 regs_B[ENVLOW] = (divisor & 0xFF);
246 regs_B[ENVHIGH] = (divisor >> 8);
247 regs_B[ENVSHAPE] = shape;
248 }
249
250 void setOff(ushort ch) {
251 if (ch > 2) {
252 //reduce channel to usable range
253 ch = ch - 3;
254 //use regs_B
255 ushort mask = (8+1) << ch;
256 regs_B[MIXER] = (regs_A[MIXER] | mask);
257 regs_B[TONEAAMPL + ch] = 0;
258 if (regs_B[ENVSHAPE] != 0) {
259 regs_B[ENVSHAPE] = 0;
260 update(); // Force flush
261 }
262
263 return;
264 }
265
266 ushort mask = (8+1) << ch;
267 regs_A[MIXER] = (regs_A[MIXER] | mask);
268 regs_A[TONEAAMPL + ch] = 0;
269 if (regs_A[ENVSHAPE] != 0) {
270 regs_A[ENVSHAPE] = 0;
271 update(); // Force flush
272 }
273 }
274 };
275
276 static PSGRegs psg;
277
278 // Voice generation ---------------------------------------
279
280 static const ushort
281 MIDI_MIN = 24,
282 MIDI_MAX = 96,
283 N_NOTES = (MIDI_MAX+1-MIDI_MIN);
284
285 static const ushort note_table[N_NOTES] = {
286 1911, // MIDI 24, 32.70 Hz
287 1804, // MIDI 25, 34.65 Hz
288 1703, // MIDI 26, 36.71 Hz
289 1607, // MIDI 27, 38.89 Hz
290 1517, // MIDI 28, 41.20 Hz
291 1432, // MIDI 29, 43.65 Hz
292 1351, // MIDI 30, 46.25 Hz
293 1276, // MIDI 31, 49.00 Hz
294 1204, // MIDI 32, 51.91 Hz
295 1136, // MIDI 33, 55.00 Hz
296 1073, // MIDI 34, 58.27 Hz
297 1012, // MIDI 35, 61.74 Hz
298 956, // MIDI 36, 65.41 Hz
299 902, // MIDI 37, 69.30 Hz
300 851, // MIDI 38, 73.42 Hz
301 804, // MIDI 39, 77.78 Hz
302 758, // MIDI 40, 82.41 Hz
303 716, // MIDI 41, 87.31 Hz
304 676, // MIDI 42, 92.50 Hz
305 638, // MIDI 43, 98.00 Hz
306 602, // MIDI 44, 103.83 Hz
307 568, // MIDI 45, 110.00 Hz
308 536, // MIDI 46, 116.54 Hz
309 506, // MIDI 47, 123.47 Hz
310 478, // MIDI 48, 130.81 Hz
311 451, // MIDI 49, 138.59 Hz
312 426, // MIDI 50, 146.83 Hz
313 402, // MIDI 51, 155.56 Hz
314 379, // MIDI 52, 164.81 Hz
315 358, // MIDI 53, 174.61 Hz
316 338, // MIDI 54, 185.00 Hz
317 319, // MIDI 55, 196.00 Hz
318 301, // MIDI 56, 207.65 Hz
319 284, // MIDI 57, 220.00 Hz
320 268, // MIDI 58, 233.08 Hz
321 253, // MIDI 59, 246.94 Hz
322 239, // MIDI 60, 261.63 Hz
323 225, // MIDI 61, 277.18 Hz
324 213, // MIDI 62, 293.66 Hz
325 201, // MIDI 63, 311.13 Hz
326 190, // MIDI 64, 329.63 Hz
327 179, // MIDI 65, 349.23 Hz
328 169, // MIDI 66, 369.99 Hz
329 159, // MIDI 67, 392.00 Hz
330 150, // MIDI 68, 415.30 Hz
331 142, // MIDI 69, 440.00 Hz
332 134, // MIDI 70, 466.16 Hz
333 127, // MIDI 71, 493.88 Hz
334 119, // MIDI 72, 523.25 Hz
335 113, // MIDI 73, 554.37 Hz
336 106, // MIDI 74, 587.33 Hz
337 100, // MIDI 75, 622.25 Hz
338 95, // MIDI 76, 659.26 Hz
339 89, // MIDI 77, 698.46 Hz
340 84, // MIDI 78, 739.99 Hz
341 80, // MIDI 79, 783.99 Hz
342 75, // MIDI 80, 830.61 Hz
343 71, // MIDI 81, 880.00 Hz
344 67, // MIDI 82, 932.33 Hz
345 63, // MIDI 83, 987.77 Hz
346 60, // MIDI 84, 1046.50 Hz
347 56, // MIDI 85, 1108.73 Hz
348 53, // MIDI 86, 1174.66 Hz
349 50, // MIDI 87, 1244.51 Hz
350 47, // MIDI 88, 1318.51 Hz
351 45, // MIDI 89, 1396.91 Hz
352 42, // MIDI 90, 1479.98 Hz
353 40, // MIDI 91, 1567.98 Hz
354 38, // MIDI 92, 1661.22 Hz
355 36, // MIDI 93, 1760.00 Hz
356 34, // MIDI 94, 1864.66 Hz
357 32, // MIDI 95, 1975.53 Hz
358 30, // MIDI 96, 2093.00 Hz
359 };
360
361 struct FXParams {
362 ushort noisefreq;
363 ushort tonefreq;
364 ushort envdecay;
365 ushort freqdecay;
366 ushort timer;
367 };
368
369 struct ToneParams {
370 ushort decay;
371 ushort sustain; // Values 0..32
372 ushort release;
373 };
374
375 static const ushort MAX_TONES = 4;
376 static const ToneParams tones[MAX_TONES] = {
377 { 30, 24, 10 },
378 { 30, 12, 8 },
379 { 5, 8, 7 },
380 { 10, 31, 30 }
381 };
382
383 class Voice {
384 public:
385 ushort m_chan; // Index to psg channel
386 ushort m_pitch;
387 int m_ampl, m_decay, m_sustain, m_release;
388 static const int AMPL_MAX = 1023;
389 ushort m_adsr;
390
391 void init (ushort chan) {
392 m_chan = chan;
393 m_ampl = m_sustain = 0;
394 kill();
395 }
396
397 void start(note_t note, midictrl_t vel, midictrl_t chan) {
398 const ToneParams *tp = &tones[chan % MAX_TONES];
399
400 m_pitch = note_table[note - MIDI_MIN];
401 if (vel > 127) {
402 m_ampl = AMPL_MAX;
403 }
404 else {
405 m_ampl = 768 + (vel << 1);
406 }
407 m_decay = tp->decay;
408 m_sustain = (m_ampl * tp->sustain) >> 5;
409 m_release = tp->release;
410 m_adsr = 'D';
411 psg.setTone(m_chan, m_pitch, m_ampl >> 6);
412 }
413
414 struct FXParams m_fxp;
415
416 void startFX(const struct FXParams &fxp) {
417 m_fxp = fxp;
418
419 if (m_ampl > 0) {
420 psg.setOff(m_chan);
421 }
422 m_ampl = AMPL_MAX;
423 m_adsr = 'X';
424 m_decay = fxp.timer;
425
426 psg.setEnvelope(fxp.envdecay, 9);
427 psg.setToneAndNoise(m_chan, fxp.tonefreq, fxp.noisefreq, 31);
428 }
429
430
431 void stop() {
432 if (m_adsr == 'X') {
433 return; // Will finish when ready...
434 }
435
436 if (m_ampl > 0) {
437 m_adsr = 'R';
438 }
439 else {
440 psg.setOff(m_chan);
441 }
442 }
443
444 void update100Hz() {
445 if (m_ampl == 0) {
446 return;
447 }
448
449 switch(m_adsr) {
450 case 'D':
451 m_ampl -= m_decay;
452 if (m_ampl <= m_sustain) {
453 m_adsr = 'S';
454 m_ampl = m_sustain;
455 }
456 break;
457
458 case 'S':
459 break;
460
461 case 'R':
462 if ( m_ampl < m_release ) {
463 m_ampl = 0;
464 }
465 else {
466 m_ampl -= m_release;
467 }
468 break;
469
470 case 'X':
471 // FX is playing.
472 if (m_fxp.freqdecay > 0) {
473 m_fxp.tonefreq += m_fxp.freqdecay;
474 psg.setToneAndNoise(m_chan, m_fxp.tonefreq, m_fxp.noisefreq, 31);
475 }
476
477 m_ampl -= m_decay;
478 if (m_ampl <= 0) {
479 psg.setOff(m_chan);
480 m_ampl = 0;
481 }
482 return;
483
484 default:
485 break;
486 }
487
488 if (m_ampl > 0) {
489 psg.setTone(m_chan, m_pitch, m_ampl >> 6);
490 }
491 else {
492 psg.setOff(m_chan);
493 }
494 }
495
496 bool isPlaying() {
497 return (m_ampl > 0);
498 }
499
500 void kill() {
501 psg.setOff(m_chan);
502 m_ampl = 0;
503 }
504 };
505
506
507 const ushort MAX_VOICES = 6;
508
509 static Voice voices[MAX_VOICES];
510
511 // MIDI synthesiser ---------------------------------------
512
513 // Deals with assigning note on/note off to voices
514
515 static const uint8_t PERC_CHANNEL = 9;
516
517 static const note_t
518 PERC_MIN = 35,
519 PERC_MAX = 50;
520
521 static const struct FXParams perc_params[PERC_MAX-PERC_MIN+1] = {
522 // Mappings are from the General MIDI spec at https://www.midi.org/specifications-old/item/gm-level-1-sound-set
523
524 // Params are: noisefreq, tonefreq, envdecay, freqdecay, timer
525
526 { 9, 900, 800, 40, 50 }, // 35 Acoustic bass drum
527 { 8, 1000, 700, 40, 50 }, // 36 (C) Bass Drum 1
528 { 4, 0, 300, 0, 80 }, // 37 Side Stick
529 { 6, 0, 1200, 0, 30 }, // 38 Acoustic snare
530
531 { 5, 0, 1500, 0, 90 }, // 39 (D#) Hand clap
532 { 6, 400, 1200, 11, 30 }, // 40 Electric snare
533 { 16, 700, 800, 20, 30 }, // 41 Low floor tom
534 { 0, 0, 300, 0, 80 }, // 42 Closed Hi Hat
535
536 { 16, 400, 800, 13, 30 }, // 43 (G) High Floor Tom
537 { 0, 0, 600, 0, 50 }, // 44 Pedal Hi-Hat
538 { 16, 800, 1400, 30, 25 }, // 45 Low Tom
539 { 0, 0, 800, 0, 40 }, // 46 Open Hi-Hat
540
541 { 16, 600, 1400, 20, 25 }, // 47 (B) Low-Mid Tom
542 { 16, 450, 1500, 15, 22 }, // 48 Hi-Mid Tom
543 { 1, 0, 1800, 0, 25 }, // 49 Crash Cymbal 1
544 { 16, 300, 1500, 10, 22 }, // 50 High Tom
545 };
546
547
548
549 static const int REQ_MAP_SIZE = (N_NOTES+7) / 8;
550 static uint8_t m_requestMap[REQ_MAP_SIZE];
551 // Bit is set for each note being requested
552 static midictrl_t m_velocity[N_NOTES];
553 // Requested velocity for each note
554 static midictrl_t m_chan[N_NOTES];
555 // Requested MIDI channel for each note
556 static uint8_t m_highest, m_lowest;
557 // Highest and lowest requested notes
558
559 static const uint8_t NO_NOTE = 0xFF;
560 static const uint8_t PERC_NOTE = 0xFE;
561 static uint8_t m_playing[MAX_VOICES];
562 // Which note each voice is playing
563
564 static const uint8_t NO_VOICE = 0xFF;
565 static uint8_t m_voiceNo[N_NOTES];
566 // Which voice is playing each note
567
568
569 static bool startNote(ushort idx) {
570 for (ushort i = 0; i < MAX_VOICES; i++) {
571 if (m_playing[i] == NO_NOTE) {
572 voices[i].start(MIDI_MIN + idx, m_velocity[idx], m_chan[idx]);
573 m_playing[i] = idx;
574 m_voiceNo[idx] = i;
575 return true;
576 }
577 }
578 return false;
579 }
580
581 static bool startPercussion(note_t note) {
582 ushort i;
583 for (i = 0; i < MAX_VOICES; i++) {
584 if (m_playing[i] == NO_NOTE || m_playing[i] == PERC_NOTE) {
585 if (note >= PERC_MIN && note <= PERC_MAX) {
586 voices[i].startFX(perc_params[note-PERC_MIN]);
587 m_playing[i] = PERC_NOTE;
588 }
589 return true;
590 }
591 }
592 return false;
593 }
594
595 static bool stopNote(ushort idx) {
596 uint8_t v = m_voiceNo[idx];
597 if (v != NO_VOICE) {
598 voices[v].stop();
599 m_playing[v] = NO_NOTE;
600 m_voiceNo[idx] = NO_VOICE;
601 return true;
602 }
603 return false;
604 }
605
606 static void stopOneNote() {
607 uint8_t v, chosen = NO_NOTE;
608
609 // At this point we have run out of voices.
610 // Pick a voice and stop it. We leave a voice alone
611 // if it's playing the highest requested note. If it's
612 // playing the lowest requested note we look for a 'better'
613 // note, but stop it if none found.
614
615 for (v = 0; v < MAX_VOICES; v++) {
616 uint8_t idx = m_playing[v];
617 if (idx == NO_NOTE) {// Uh? Perhaps called by mistake.
618 return;
619 }
620
621 if (idx == m_highest) {
622 continue;
623 }
624
625 if (idx == PERC_NOTE) {
626 continue;
627 }
628
629 chosen = idx;
630 if (idx != m_lowest) {
631 break;
632 }
633 // else keep going, we may find a better one
634 }
635
636 if (chosen != NO_NOTE) {
637 stopNote(chosen);
638 }
639 }
640
641 static void updateRequestedNotes() {
642 m_highest = m_lowest = NO_NOTE;
643 ushort i,j;
644
645 // Check highest requested note is playing
646 // Return true if note was restarted; false if already playing
647 for (i = 0; i < REQ_MAP_SIZE; i++) {
648 uint8_t req = m_requestMap[i];
649 if (req == 0) {
650 continue;
651 }
652
653 for (j = 0; j < 8; j++) {
654 if (req & (1 << j)) {
655 ushort idx = i*8 + j;
656 if (m_lowest == NO_NOTE || m_lowest > idx) {
657 m_lowest = idx;
658 }
659 if (m_highest==NO_NOTE || m_highest < idx) {
660 m_highest = idx;
661 }
662 }
663 }
664 }
665 }
666
667 static bool restartANote() {
668 if (m_highest != NO_NOTE && m_voiceNo[m_highest] == NO_VOICE) {
669 return startNote(m_highest);
670 }
671
672 if (m_lowest != NO_NOTE && m_voiceNo[m_lowest] == NO_VOICE) {
673 return startNote(m_lowest);
674 }
675
676 return false;
677 }
678
679 static void synth_init () {
680 ushort i;
681
682 for (i = 0; i < REQ_MAP_SIZE; i++) {
683 m_requestMap[i] = 0;
684 }
685
686 for (i = 0; i < N_NOTES; i++) {
687 m_velocity[i] = 0;
688 m_voiceNo[i] = NO_VOICE;
689 }
690
691 for (i = 0; i < MAX_VOICES; i++) {
692 m_playing[i] = NO_NOTE;
693 }
694
695 m_highest = m_lowest = NO_NOTE;
696 }
697
698 static void noteOff(midictrl_t chan, note_t note, midictrl_t vel) {
699 if (chan == PERC_CHANNEL || note < MIDI_MIN || note > MIDI_MAX) {
700 return; // Just ignore it
701 }
702
703 ushort idx = note - MIDI_MIN;
704
705 m_requestMap[idx/8] &= ~(1 << (idx & 7));
706 m_velocity[idx] = 0;
707 updateRequestedNotes();
708
709 if (stopNote(idx)) {
710 restartANote();
711 }
712 }
713
714 static void noteOn(midictrl_t chan, note_t note, midictrl_t vel) {
715 if (vel == 0) {
716 noteOff(chan, note, 0);
717 return;
718 }
719
720 if (chan == PERC_CHANNEL) {
721 if (!startPercussion(note)) {
722 stopOneNote();
723 startPercussion(note);
724 }
725 return;
726 }
727
728 // Regular note processing now
729
730 if (note < MIDI_MIN || note > MIDI_MAX) {
731 return; // Just ignore it
732 }
733
734 ushort idx = note - MIDI_MIN;
735
736 if (m_voiceNo[idx] != NO_VOICE) {
737 return; // Already playing. Ignore this request.
738 }
739
740 m_requestMap[idx/8] |= 1 << (idx & 7);
741 m_velocity[idx] = vel;
742 m_chan[idx] = chan;
743 updateRequestedNotes();
744
745 if (!startNote(idx)) {
746 stopOneNote();
747 startNote(idx);
748 }
749 }
750
751
752 static void update100Hz() {
753 for (ushort i = 0; i < MAX_VOICES; i++) {
754 voices[i].update100Hz();
755 if (m_playing[i] == PERC_NOTE && ! (voices[i].isPlaying())) {
756 m_playing[i] = NO_NOTE;
757 restartANote();
758 }
759 }
760 }
761
762 // Main code ----------------------------------------------
763
764 static unsigned long lastUpdate = 0;
765
766 void setup() {
767 // Hold in reset while we set up the reset
768 pinMode(nRESET, OUTPUT);
769 digitalWrite(nRESET, LOW);
770
771 pinMode(clkOUT, OUTPUT);
772 digitalWrite(clkOUT, LOW);
773 clockSetup();
774
775 pinMode(BC2_A, OUTPUT);
776 digitalWrite(BC2_A, LOW); // BC2 low
777 pinMode(BDIR_A, OUTPUT);
778 digitalWrite(BDIR_A, LOW); // BDIR low
779
780 pinMode(BC2_B, OUTPUT);
781 digitalWrite(BC2_B, LOW); // BC2 low
782 pinMode(BDIR_B, OUTPUT);
783 digitalWrite(BDIR_B, LOW); // BDIR low
784
785 for (ushort i = 0; i < 8; i++) {
786 pinMode(dbus[i], OUTPUT);
787 digitalWrite(dbus[i], LOW); // Set bus low
788 }
789
790 delay(100);
791 digitalWrite(nRESET, HIGH); // Release Reset
792 delay(10);
793
794 lastUpdate = millis();
795
796 psg.init();
797 for (ushort i = 0; i < MAX_VOICES; i++) {
798 voices[i].init(i);
799 }
800 synth_init();
801
802 #ifdef DEBUG
803 Serial.begin(115200);
804 #endif
805
806 #ifdef SERIALMIDI
807 // Initiate MIDI communications, listen to all channels
808 MIDI.begin(MIDI_CHANNEL_OMNI);
809 #endif
810 }
811
812 void handleMidiMessage(midiEventPacket_t &rx) {
813 if (rx.header==0x9) {// Note on
814 noteOn(rx.byte1 & 0xF, rx.byte2, rx.byte3);
815 }
816 else if (rx.header==0x8) {// Note off
817 noteOff(rx.byte1 & 0xF, rx.byte2, rx.byte3);
818 }
819 else if (rx.header==0xB) {// Control Change
820 if (rx.byte2 == 0x78 || rx.byte2 == 0x79 || rx.byte2 == 0x7B) {// AllSoundOff, ResetAllControllers, or AllNotesOff
821 // Kill Voices
822 for (ushort i = 0; i < MAX_VOICES; i++) {
823 voices[i].kill();
824 }
825 }
826 }
827 }
828
829 void loop() {
830 midiEventPacket_t rx;
831
832 #ifdef USBMIDI
833 rx = MidiUSB.read();
834
835 #ifdef DEBUG
836 //MIDI debugging
837 if (rx.header != 0) {
838 Serial.print("Received USB: ");
839 Serial.print(rx.header, HEX);
840 Serial.print("-");
841 Serial.print(rx.byte1, HEX);
842 Serial.print("-");
843 Serial.print(rx.byte2, HEX);
844 Serial.print("-");
845 Serial.println(rx.byte3, HEX);
846 }
847 #endif
848
849 handleMidiMessage(rx);
850 #endif
851
852 #ifdef SERIALMIDI
853 //Check for serial MIDI messages
854 //MIDI.read();
855 while (MIDI.read()) {
856 // Create midiEventPacket_t
857 rx =
858 {
859 byte(MIDI.getType() >>4),
860 byte(MIDI.getType() | ((MIDI.getChannel()-1) & 0x0f)), /* getChannel() returns values from 1 to 16 */
861 MIDI.getData1(),
862 MIDI.getData2()
863 };
864
865 #ifdef DEBUG
866 //MIDI debugging
867 if (rx.header != 0) {
868 Serial.print("Received MIDI: ");
869 Serial.print(rx.header, HEX);
870 Serial.print("-");
871 Serial.print(rx.byte1, HEX);
872 Serial.print("-");
873 Serial.print(rx.byte2, HEX);
874 Serial.print("-");
875 Serial.println(rx.byte3, HEX);
876 }
877 #endif
878
879 handleMidiMessage(rx);
880 }
881 #endif
882
883 unsigned long now = millis();
884 if ((now - lastUpdate) > 10) {
885 update100Hz();
886 lastUpdate += 10;
887 }
888
889 psg.update();
890 }
Putting it all together
I'm a fan of the cast aluminum enclosures sold by Tayda Electronics which provide a nice finished product if you take your time in construction.
Unfortunately I didn't document most of the process but here are some important steps:
When drilling through the enclosure cover the outside in masking tape to protect the finish
Its easier to make notches for the screw mounts on MIDI connectors then to drill holes for them.
Put a small amount of clear nail polish around any holes to prevent the paint from peeling.
Plan the locations of your connectors carefully to maximize the available internal space, and leave lots of slack!
Once you know the dimensions you have to work with arrange the major components first, then start building the circuit one section at a time. This was when I had completed the MIDI input circuit.
Run power and simple shared connections early on. This is power, MIDI input, and the entire audio output stage completed. Make sure you check for shorts often!
Clocking, reset, and BDIR/BC2 added.
Data bus added, all finished!
Don't be like me. Use thinner wire than 24 AWG.
Time to test! Arduino Pro Micro (clone), 6n137, and two AY-3-8910 socketed and ready to go.
Checking the final fit with a plastic sheet glued down under the board to prevent shorting against the case.
How can I prevent the board from rattling around in the case? A handful of anti-static packing peanuts should do the trick! (The closed case will crush them against the board)
Added four rubber feet to stop it from sliding around and wrecking the nice paint.
All finished. Time to play some music :)
Samples
Sadly I'm not a very good piano player yet so I recorded the playback of some well known midi files for demonstration.
- Legend of Zelda - A link to the past - Title screen
- Legend of Zelda - Link's Awakening - Overworld
- Duck Tales NES - Moon
- Alan Walker - Faded
- Portal - Still Alive
- Portal 2 - Want You Gone
- Portal 2 - Cara Mia
- Portal 2 - Turret Wife Serenade
- Mii Channel
- Skyrim - Dragonborn
- Animal Crossing New Horizons - Main Theme
Final thoughts
This midi sound module was built as a gift for my much more musically talented cousin and was an absolute blast to put together. The two AY-3-8910 struggle with more than 6 voices but that is to be expected. Maybe I'll build a 3 chip - 9 voice version next? :)
