Sun System Handbook
- ISO 4.1 October 2012 Internal/Partner Edition
Home
|
Current Systems
|
Former STK Products
|
EOL Systems
|
Components
|
General Info
|
Search
|
Feedback
Sun Ultra 40 M2 Workstation - System Breakdown
Sun Ultra 40 M2 Workstation, RoHS:Y Home Page
Service Views
Front
Left Open
Rear
Components
Full Components List
Batteries
CPU Module
Cables
Disk Backplane
Disks
Ethernet
Fan
Graphics
Memory
Power
Removable Media
SCSI
System Board
System Breakdown
Exploded View
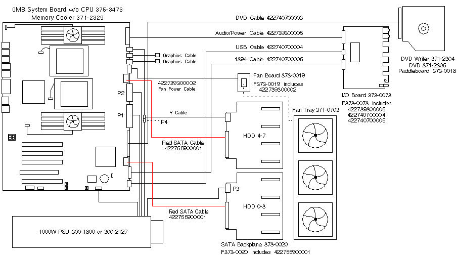
Wiring Diagram
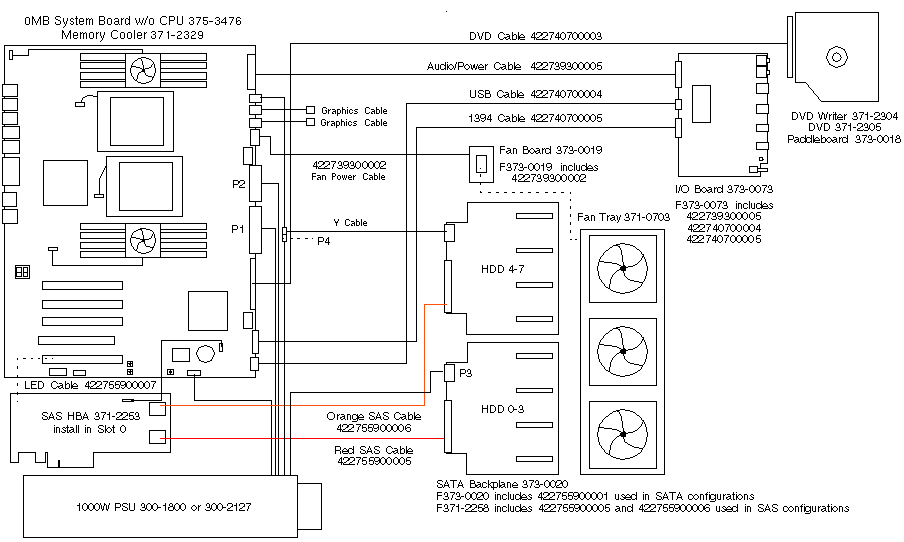
Wiring Diagram
Copyright � 2012 Sun Microsystems, Inc. All rights reserved.
Feedback