Sun System Handbook
- ISO 4.1 October 2012 Internal/Partner Edition
Home
|
Current Systems
|
Former STK Products
|
EOL Systems
|
Components
|
General Info
|
Search
|
Feedback
Sun Fire X4600 M2, RoHS:YL - System Breakdown
Sun Fire X4600 M2, RoHS:YL Home Page
Service Views
Front
Top
Rear
Components
Full Components List
Batteries
CPU Module
Cables
Communication
Disk Backplane
Disks
Ethernet
Fan
Fibre Channel
Memory
Miscellaneous
Power
Rack
Removable Media
SCSI
System Board
System Service Processor
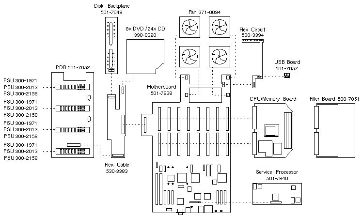
System Breakdown
Exploded View
Wiring Diagram
Wiring Diagram
Copyright � 2012 Sun Microsystems, Inc. All rights reserved.
Feedback