Sun System Handbook
- ISO 4.1 October 2012 Internal/Partner Edition
Home
|
Current Systems
|
Former STK Products
|
EOL Systems
|
Components
|
General Info
|
Search
|
Feedback
Sun Fire V65x - System Breakdown
Sun Fire V65x Home Page
Service Views
Front
Front Open
Top
Rear
Components
Full Components List
CPU Module
Cables
Disks
Fan
Fibre Channel
I/O
Memory
Miscellaneous
Power
Rack
Removable Media
SCSI
System Board
Whole System FRU
System Breakdown
Exploded View
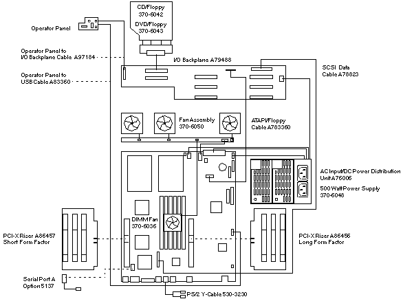
Wiring Diagram
Wiring Diagram
Copyright � 2012 Sun Microsystems, Inc. All rights reserved.
Feedback