Sun System Handbook
- ISO 4.1 October 2012 Internal/Partner Edition
Home
|
Current Systems
|
Former STK Products
|
EOL Systems
|
Components
|
General Info
|
Search
|
Feedback
Sun Fire 280R - System Breakdown
Sun Fire 280R Home Page
Service Views
Front
Front Open
Top
Rear
Components
Full Components List
Batteries
Boot PROM
CPU Module
Communication
Disks
Ethernet
Fan
Fibre Channel
Graphics
IDPROM
Memory
Miscellaneous
Power
Removable Media
SCSI
System Board
System Breakdown
Exploded View
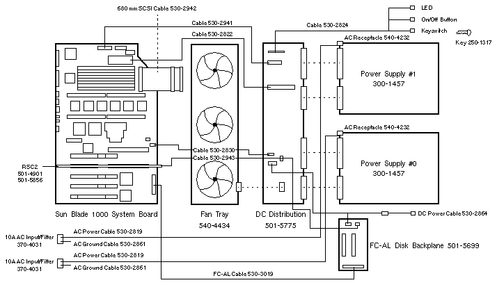
Wiring Diagram
Wiring Diagram
Copyright � 2012 Sun Microsystems, Inc. All rights reserved.
Feedback