Sun Microsystems, Inc.   Sun System Handbook - ISO 4.1 October 2012 Internal/Partner Edition
   Home | Current Systems | Former STK Products | EOL Systems | Components | General Info | Search | Feedback

Sun Blade 8000 P Modular System, RoHS:YL - System Breakdown

Sun Blade 8000 P, RoHS:YL Home Page
Service Views
Front
Rear
Components
Full Components List
Batteries
Blade
Cables
Communication
Ethernet
Fan
Fibre Channel
I/O
Power
System Service Processor
System Breakdown
Exploded View
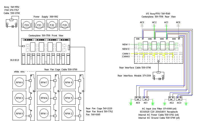
Wiring Diagram
Wiring Diagram
Sun Blade 8000 P, RoHS:YL

  Copyright � 2012 Sun Microsystems, Inc.  All rights reserved.
 Feedback