Sun System Handbook
- ISO 4.1 October 2012 Internal/Partner Edition
Home
|
Current Systems
|
Former STK Products
|
EOL Systems
|
Components
|
General Info
|
Search
|
Feedback
SPARC T4-2 - System Breakdown
SPARC T4-2 Home Page
Service Views
Front
Top
Rear
Components
Full Components List
Batteries
Cables
Communication
Disk Backplane
Disks
Ethernet
Fan
Fibre Channel
Memory
Power
Rack
Removable Media
SCSI
System Board
System Service Processor
System Breakdown
Exploded View
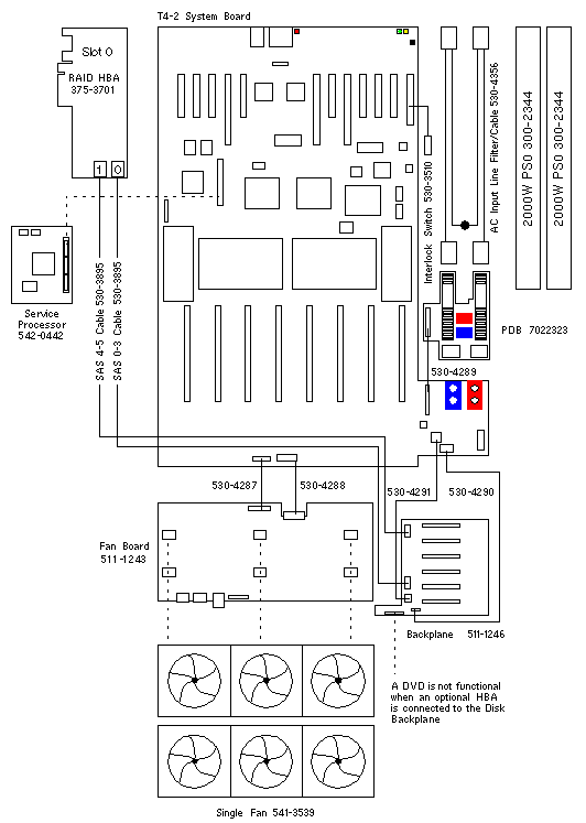
Wiring Diagram
Wiring Diagram
Copyright � 2012 Sun Microsystems, Inc. All rights reserved.
Feedback