Sun System Handbook
- ISO 4.1 October 2012 Internal/Partner Edition
Home
|
Current Systems
|
Former STK Products
|
EOL Systems
|
Components
|
General Info
|
Search
|
Feedback
Sun Netra SPARC T3-1 Server - System Breakdown
Netra SPARC T3-1 Home Page
Service Views
Front
Top
Rear
Components
Full Components List
Batteries
Cables
Communication
Disk Backplane
Disks
Ethernet
Fan
Fibre Channel
I/O
Memory
Miscellaneous
Power
Rack
Removable Media
SCSI
System Board
System Service Processor
System Breakdown
Exploded View
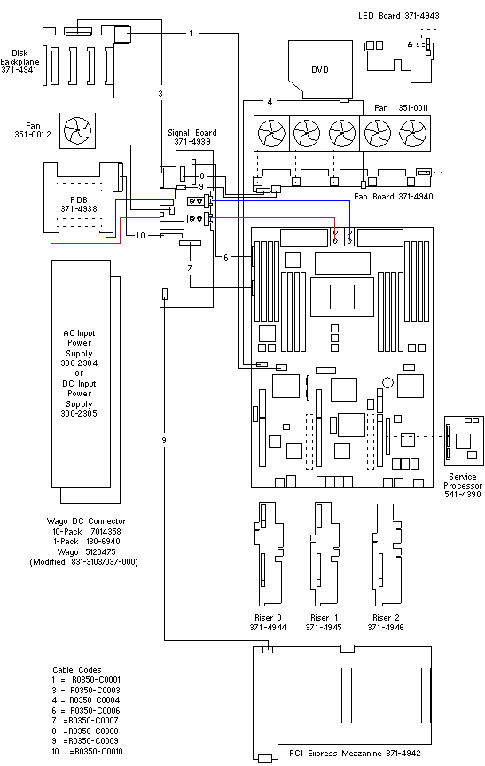
Wiring Diagram
Wiring Diagram
Copyright � 2012 Sun Microsystems, Inc. All rights reserved.
Feedback