Sun System Handbook
- ISO 4.1 October 2012 Internal/Partner Edition
Home
|
Current Systems
|
Former STK Products
|
EOL Systems
|
Components
|
General Info
|
Search
|
Feedback
Sun Enterprise 450 Server - System Breakdown
Sun Enterprise 450 Home Page
Service Views
Front
Front Open
Left
Right
Rear
Components
Full Components List
Boot PROM
CPU Module
Cables
Communication
Disks
Ethernet
Fibre Channel
Graphics
IDPROM
Input Device
Memory
Miscellaneous
Power
Rack
Removable Media
SCSI
Switch/Hub
System Board
System Breakdown
Exploded View
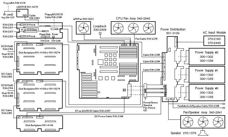
Wiring Diagram
Wiring Diagram
Copyright � 2012 Sun Microsystems, Inc. All rights reserved.
Feedback