Sun System Handbook
- ISO 4.1 October 2012 Internal/Partner Edition
Home
|
Current Systems
|
Former STK Products
|
EOL Systems
|
Components
|
General Info
|
Search
|
Feedback
Sun Enterprise 220R Server - System Breakdown
Sun Enterprise 220R Home Page
Service Views
Front
Front Open
Top
Rear
Components
Full Components List
Boot PROM
CPU Module
Communication
Disks
Ethernet
Fan
Fibre Channel
Graphics
IDPROM
Memory
Miscellaneous
Power
Rack
Removable Media
SCSI
Switch/Hub
System Board
System Breakdown
Exploded View
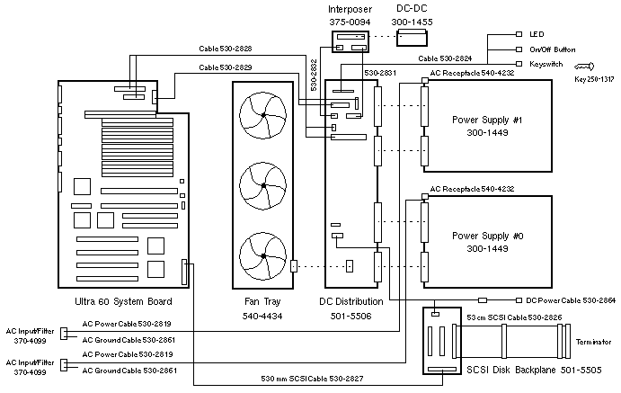
Wiring Diagram
Wiring Diagram
Copyright � 2012 Sun Microsystems, Inc. All rights reserved.
Feedback