Sun System Handbook
- ISO 4.1 October 2012 Internal/Partner Edition
Home
|
Current Systems
|
Former STK Products
|
EOL Systems
|
Components
|
General Info
|
Search
|
Feedback
Sun StorEdge 5210 NAS - System Breakdown
Sun StorEdge 5210 NAS Home Page
Service Views
Front
Front Open
Top
Rear
Components
Full Components List
Array Controller
Backplane/Centerplane
CPU Module
Cables
Disks
Ethernet
Fan
Memory
Miscellaneous
Power
Rack
SCSI
Whole System FRU
System Breakdown
Exploded View
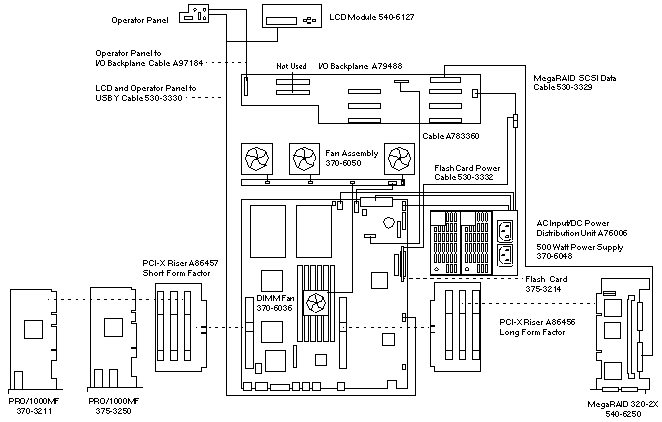
Wiring Diagram
Wiring Diagram
Copyright � 2012 Sun Microsystems, Inc. All rights reserved.
Feedback