Sun Microsystems, Inc.   Sun System Handbook - ISO 4.1 October 2012 Internal/Partner Edition
   Home | Current Systems | Former STK Products | EOL Systems | Components | General Info | Search | Feedback

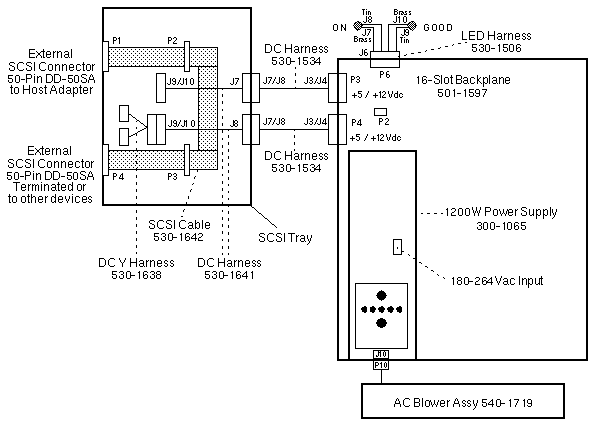
Sun 16-Slot Logic Enclosure Wiring Diagram

Sun-4/390 shipped prior to April 1990


Sun-4/390, Sun-4/490, and SPARCserver 690MP shipped after April 1990



Last updated: December 2, 1996
  Copyright � 2012 Sun Microsystems, Inc.  All rights reserved.
 Feedback