Sun Microsystems, Inc.   Sun System Handbook - ISO 4.1 October 2012 Internal/Partner Edition
   Home | Current Systems | Former STK Products | EOL Systems | Components | General Info | Search | Feedback

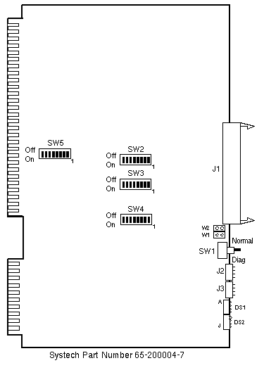
Systech MTI-800/1600 Controller

Asychronous Line Multiplexer 1 (ALM-1)

Sun-4/260/280

Options 480 / 481
370-1047



Switch Settings

mt0 Defaults
DIP SWITCH SETTING DESCRIPTION
SW2 1
2
3
4
5
6
7
8
Off
Off
Off
Off
Off
On
On
Off
Address select A15
Address select A14
Address select A13
Address select A12
Address select A11
Address select A10
Address select A9
Address select A8
SW3 1
2*
3*
4
5
6
7
8
Off
Off
On
Off
Off
Off
Off
On
Address select A7
Address select A6
Address select A5
Address select A4
Address select A3
Select 16-bit addresses
One stop bit
One stop bit
SW4 1
2
3
4
5
6
7
8
Off
Off
On
On
On
On
On
Off
Odd parity
No parity
8-bit characters
8-bit characters
9600 baud
9600 baud
9600 baud
9600 baud
SW5 1
2
3
4
5
6
7
8
Off
Off
Off
Off
On
Off
Off
Off
Interrupt level 0
Interrupt level 1
Interrupt level 2
Interrupt level 3
Interrupt level 4
Interrupt level 5
Interrupt level 6
Interrupt level 7

* mti0 at 0x0620, Dip SW3, Switch-2, ON, Switch-3, ON
mti1 at 0x0640, Dip SW3, Switch-2, ON, Switch-3, OFF
mti2 at 0x0660, Dip SW3, Switch-2, ON, Switch-3, ON



Last updated: December 2, 1996
  Copyright � 2012 Sun Microsystems, Inc.  All rights reserved.
 Feedback