Sun Microsystems, Inc.   Sun System Handbook - ISO 4.1 October 2012 Internal/Partner Edition
   Home | Current Systems | Former STK Products | EOL Systems | Components | General Info | Search | Feedback

Volume I: Communication

Multiprotocol Communication Processor

Sun-3/110/140/150/160/180/260/280/460/470/480
Sun-4/110/150/260/280/310/330/350/360/370/380
Sun-4/390/470/490
SS630MP / SS670MP / SS690MP
501-1221

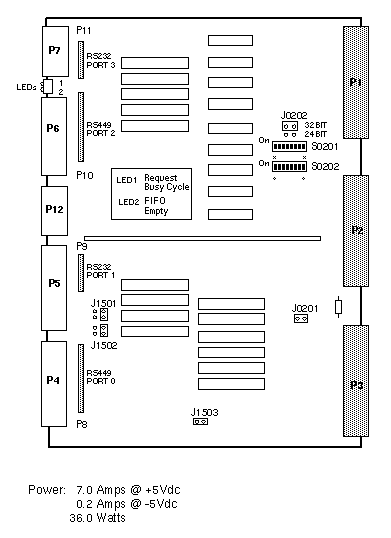
Jumper and Switch Settings

  Copyright � 2012 Sun Microsystems, Inc.  All rights reserved.
 Feedback