Sun Microsystems, Inc.   Sun System Handbook - ISO 4.1 October 2012 Internal/Partner Edition
   Home | Current Systems | Former STK Products | EOL Systems | Components | General Info | Search | Feedback

ATL 100 Watt Power Supply

ETL 4/1000 / ETL 4/1800 / ETL 7/3500
StorEdge L1800 / StorEdge L3500

300-1339
Volgen MRE-244R2U

Rear View

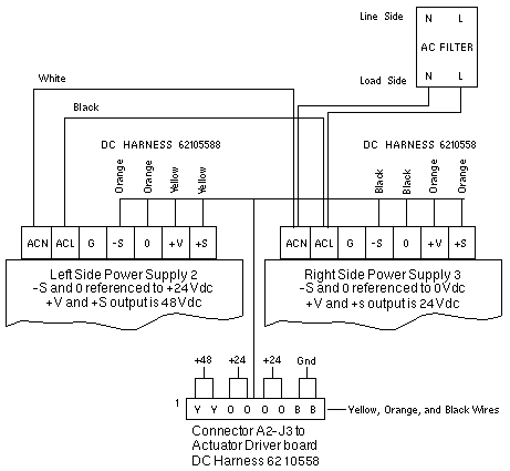
Wiring Diagram ETL 4/1000/1800


DC Output
+24V 4.2A

  Copyright � 2012 Sun Microsystems, Inc.  All rights reserved.
 Feedback