Sun Microsystems, Inc.   Sun System Handbook - ISO 4.1 October 2012 Internal/Partner Edition
   Home | Current Systems | Former STK Products | EOL Systems | Components | General Info | Search | Feedback

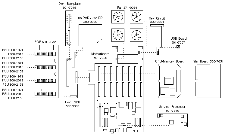
Sun Fire X4600 M2 Wiring Diagram


  Copyright � 2012 Sun Microsystems, Inc.  All rights reserved.
 Feedback