Sun Microsystems, Inc.   Sun System Handbook - ISO 4.1 October 2012 Internal/Partner Edition
   Home | Current Systems | Former STK Products | EOL Systems | Components | General Info | Search | Feedback

Sun Fire X4270 M2 Wiring Diagrams

12-Slot Backplane + RAID HBA
12-Slot Backplane + 2-Slot Backplane + RAID HBA
24-Slot Backplane + RAID HBA
24-Slot Backplane + 2-Slot Backplane + RAID HBA



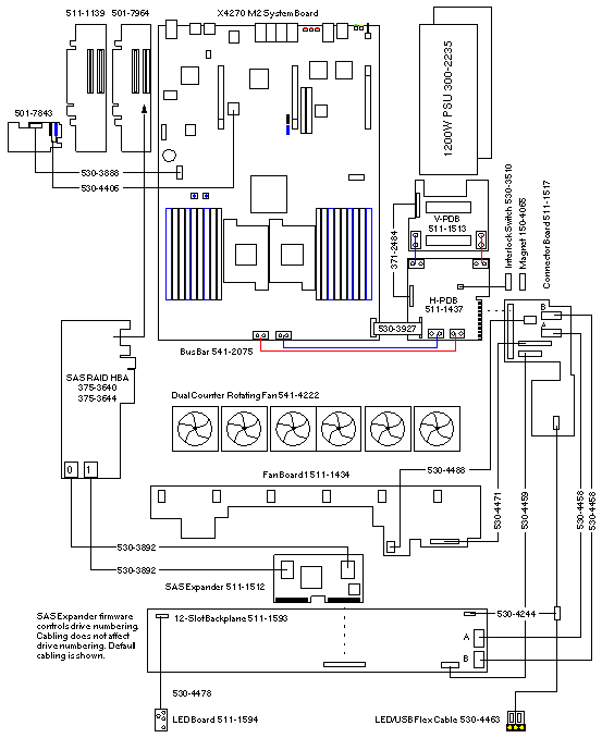
Sun Fire X4270 M2 Wiring Diagram

12-Slot Backplane + RAID HBA Configuration




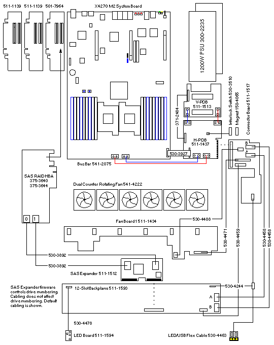
Sun Fire X4270 M2 Wiring Diagram

12-Slot Backplane + 2-Slot Backplane + RAID HBA Configuration




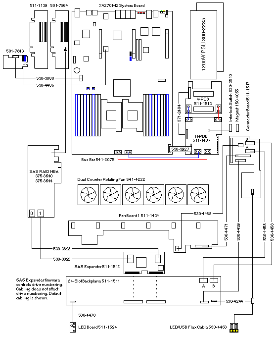
Sun Fire X4270 M2 Wiring Diagram

24-Slot Backplane + RAID HBA Configuration




Sun Fire X4270 M2 Wiring Diagram

24-Slot Backplane + 2-Slot Backplane + RAID HBA Configuration


  Copyright � 2012 Sun Microsystems, Inc.  All rights reserved.
 Feedback