Sun Microsystems, Inc.   Sun System Handbook - ISO 4.1 October 2012 Internal/Partner Edition
   Home | Current Systems | Former STK Products | EOL Systems | Components | General Info | Search | Feedback

Sun Fire X4150 Wiring Diagrams

SAS RAID Disk Drive / PATA DVD Configuration
SAS RAID Disk Drive / SATA DVD Configuration



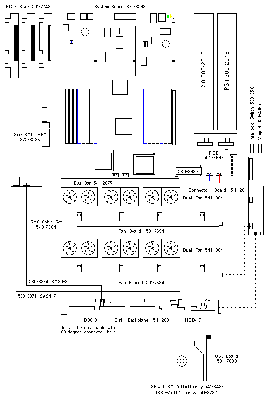
Sun Fire X4150

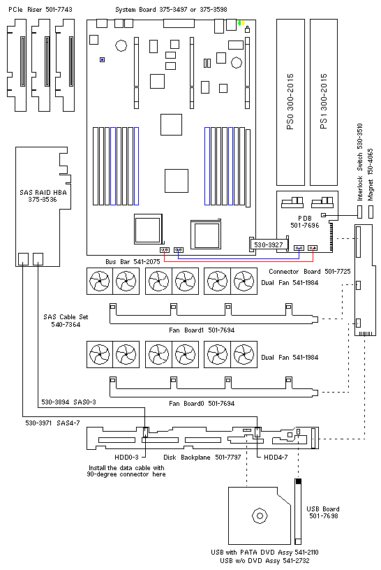
SAS RAID Disk Drive / PATA DVD Configuration




Sun Fire X4150

SAS RAID Disk Drive / SATA DVD Configuration


  Copyright � 2012 Sun Microsystems, Inc.  All rights reserved.
 Feedback