Sun Microsystems, Inc.   Sun System Handbook - ISO 4.1 October 2012 Internal/Partner Edition
   Home | Current Systems | Former STK Products | EOL Systems | Components | General Info | Search | Feedback

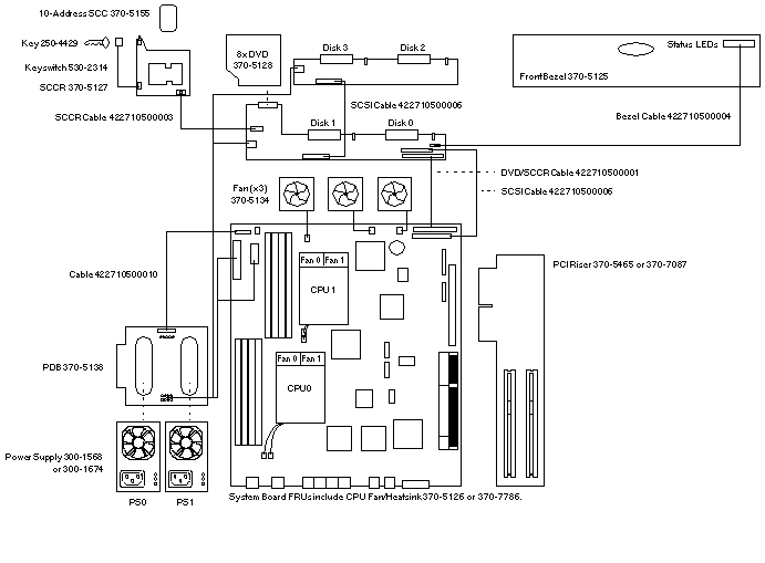
Sun Fire V240 Wiring Diagram

1.002GHz / 1.280GHz




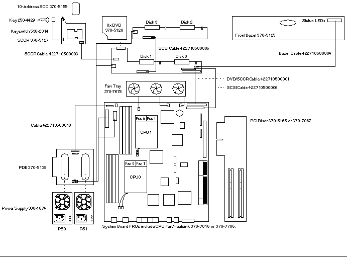
Sun Fire V240 Wiring Diagram

1.336GHz / 1.503GHz


  Copyright � 2012 Sun Microsystems, Inc.  All rights reserved.
 Feedback