Sun Microsystems, Inc.   Sun System Handbook - ISO 4.1 October 2012 Internal/Partner Edition
   Home | Current Systems | Former STK Products | EOL Systems | Components | General Info | Search | Feedback

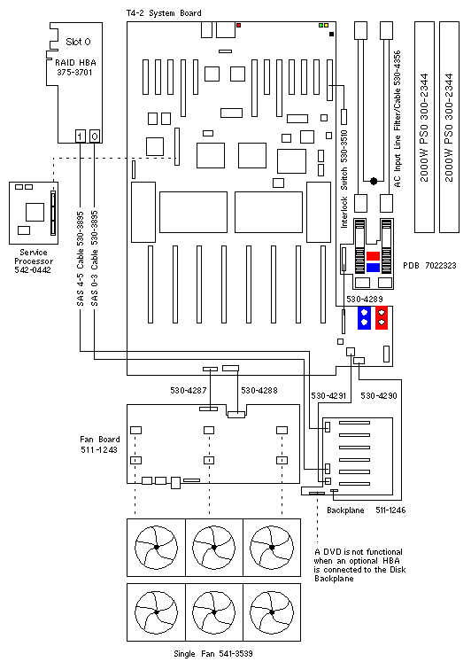
SPARC T4-2 Wiring Diagram

Onboard SAS Controller Configuration
RAID HBA Configuration

Onboard SAS Controller Configuration




SPARC T4-2 Wiring Diagram

RAID HBA Configuration


  Copyright � 2012 Sun Microsystems, Inc.  All rights reserved.
 Feedback