Sun Microsystems, Inc.   Sun System Handbook - ISO 4.1 October 2012 Internal/Partner Edition
   Home | Current Systems | Former STK Products | EOL Systems | Components | General Info | Search | Feedback

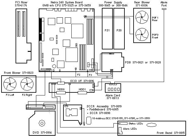
Netra 240 Wiring Diagram

Pre-RoHS




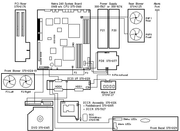
Netra 240 Wiring Diagram

Pre-RoHS




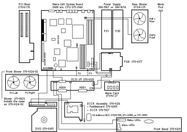
Netra 240 Wiring Diagram

L


  Copyright � 2012 Sun Microsystems, Inc.  All rights reserved.
 Feedback