Sun Microsystems, Inc.   Sun System Handbook - ISO 4.1 October 2012 Internal/Partner Edition
   Home | Current Systems | Former STK Products | EOL Systems | Components | General Info | Search | Feedback



Sun Fire X4640


511-1387
FAB 271-1387
L

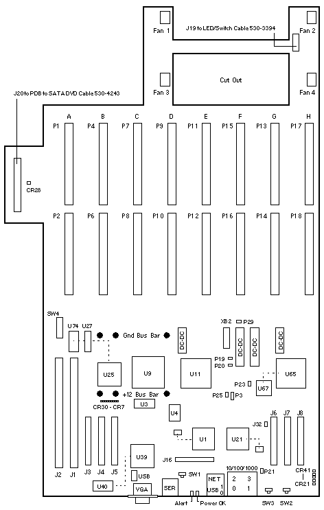
Jumpers

LOCATION PINS SETTING DESCRIPTION
J32 1-2 Out Interlock Switch Disable (default)
P19 1-2 Out Force BIOS Recovery (default)
P20 1-2 Out Clear Password (default)
P21 1-2 Out Hard Reset (default)
P23 1-2 Out Kill Switch Disable (default)
P25 1-2 Out Clear CMOS (default)
P29 1-2 Out Unknown (default)
P3 1-3 Out Unknown (default)

Switches

LOCATION DESCRIPTION
SW1 Locate Button
SW2 Reset Button
SW3 Non Maskable Interrupt Dump Button
SW4 Top Cover Interlock Switch

LEDs

LOCATION DESCRIPTION
CR41 -12V Power OK
CR19 +5V Power OK
CR34 +12V Power OK
CR35 +3.3V Power OK
CR21 +3.3V Aux Power OK
CR28 DVD Activity
CR7 SAS1064 Heartbeat
CR9 SAS1064 Fault 0
CR10 SAS1064 Fault 1
CR11 SAS1064 Fault 2
CR31 SAS1064 Fault 3
CR8 SAS1064 Activity 0
CR6 SAS1064 Activity 1
CR29 SAS1064 Activity 2
CR30 SAS1064 Activity 3

Component Locations

LOCATION DESCRIPTION
J2 100MHZ PCI-X Slot 0 (Silkscreened PCIX Slot 1)
J1 100MHZ PCI-X Slot 1 (Silkscreened PCIX Slot 2)
J3 8-Lane PCI Express Slot 2 (Silkscreened PCIE Slot 3)
J4 8-Lane PCI Express Slot 3 (Silkscreened PCIE Slot 4)
J5 4-Lane PCI Express Slot 4 (Silkscreened PCIE Slot 5)
J6 8-Lane PCI Express Slot 5 (Silkscreened PCIE Slot 6)
J7 8-Lane PCI Express Slot 6 (Silkscreened PCIE Slot 7)
J8 4-Lane PCI Express Slot 7 (Silkscreened PCIE Slot 8)
U1 Dual Port Ethernet Controller 0
U3 525-2848 BIOS
U4 Super I/O
U9 AMD 8132 PCI-X Hypertransport Tunnel
U11 nVIDIA nForce 2200 PCI Express Southbridge
U21 Dual Port Ethernet Controller 1
U25 LSI SAS1064
U27 LSI SAS1064 NVSRAM
U39 ATI Rage XL
U40 Graphics Controller SDRAM
U65 nVIDIA nForce 2050 PCI Express Bridge
U67 525-2869 CPLD Firmware
U74 525-2249 SAS1064 Firmware
XB2 CR2032 Battery 150-3993

Sun Fire X4640 Codename: Phoenix

Notes

  1. The minimum Solaris operating system is Solaris 10 5/09 x64.
  2. Four and Eight CPU/Memory Modules of the same speed are supported.

References

  1. Sun Fire X4640 Server Installation Guide, 821-0240.
  2. Sun Fire X4640 Server Service Manual, 821-0243.
  3. Sun Fire X4640 Server Product Notes, 821-0245.

  Copyright � 2012 Sun Microsystems, Inc.  All rights reserved.
 Feedback