Sun Microsystems, Inc.   Sun System Handbook - ISO 4.1 October 2012 Internal/Partner Edition
   Home | Current Systems | Former STK Products | EOL Systems | Components | General Info | Search | Feedback

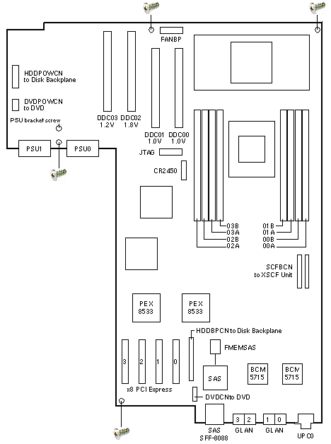
System Board



541-3302 541-3674 541-4281 541-4282
4-Core 2.52GHz
CA07082-K017
2-Core 2.52GHz
CA07082-K047
4-Core 2.75GHz
CA07082-K057
2-Core 2.75GHz
CA07082-K067

SPARC Enterprise M3000 Codename: Ikkaku

Notes

  1. Unfasten the four screws shown to remove the system board.
  2. Screw locations silkscreened with a screw image fasten the system board to the tray.
  3. It is not necessary to unfasten the screw locations silkscreened with a screw image.
  4. DDC00, DDC01, and DDC03 are labeled PFDDC81. DDC2 is labeled PF-VRM9.
  5. DDC00, DDC01, DDC02, and DDC03 connectors are the same.
  6. The XSCF and DC-DC are part of the System Board and should not be removed.

Memory Mounting Notes

  1. A maximum of eight DIMMs can be mounted.
    They are mounted in units of four DIMMs is each of group A and group B.
  2. The DIMM capacity of group A must be equal to or greater than that of group B.
  3. The DIMMs included in the same group must have the same capacity and same rank.

References

  1. SPARC Enterprise M3000 Server Service Manual, 820-5683.
  2. SPARC Enterprise M3000 Server Installation Guide, 820-5684.
  3. Refer to M3000 Hardware Documentation for Product Notes for different XCP versions.



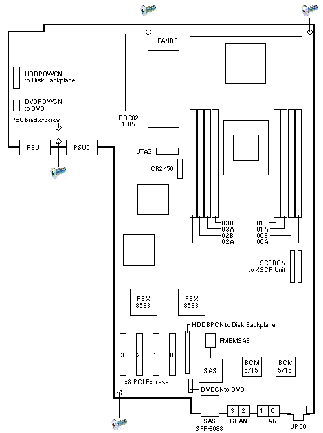
System Board



542-0420 542-0421 542-0436 542-0443
MSB
4-Core 2.86GHz
CA07082-K077
Type 1
MSB
2-Core 2.86GHz
CA07082-K087
Type 1
MSB
4-Core 2.86GHz
CA07082-K078
Type 2
MSB
2-Core 2.86GHz
CA07082-K088
Type 2
7048408 7048410 7048409 7048412
MSB
4-Core 2.86GHz
CA07082-K075
Type 1
MSB
2-Core 2.86GHz
CA07082-K085
Type 1
MSB
4-Core 2.86GHz
CA07082-K075
Type 2
MSB
2-Core 2.86GHz
CA07082-K086
Type 2

SPARC Enterprise M3000 Codename: Ikkaku

Notes

  1. System Board 542-0436/7048409 is illustrated.
  2. Unfasten the four screws shown to remove the system board.
  3. Screw locations silkscreened with a screw image fasten the system board to the tray.
  4. It is not necessary to unfasten the screw locations silkscreened with a screw image.
  5. The XCSF and DC-DC are part of the System Board and should not be removed.

References

  1. SPARC Enterprise M3000 Server Service Manual, 820-5683.
  2. SPARC Enterprise M3000 Server Installation Guide, 820-5684.
  3. Refer to M3000 Hardware Documentation for Product Notes for different XCP versions.

  Copyright � 2012 Sun Microsystems, Inc.  All rights reserved.
 Feedback