Sun Microsystems, Inc.   Sun System Handbook - ISO 4.1 October 2012 Internal/Partner Edition
   Home | Current Systems | Former STK Products | EOL Systems | Components | General Info | Search | Feedback



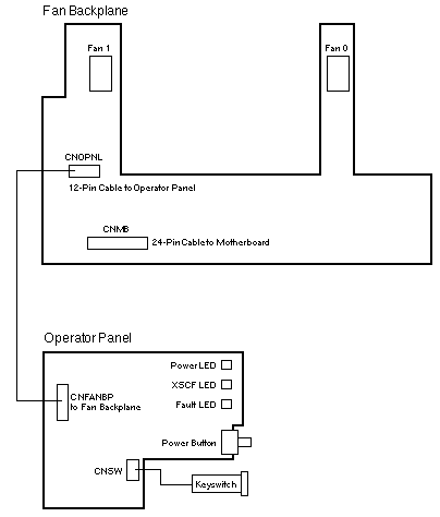
Fan Backplane and Operator Panel

Servers: Sun SPARC Enterprise M3000

541-3304 541-3306
Fan Backplane
CA20399-B12X
Operator Panel
CA20399-B13X

SPARC Enterprise M3000 Codename: Ikkaku

References

  1. SPARC Enterprise M3000 Server Service Manual, 820-5683.
  2. SPARC Enterprise M3000 Server Installation Guide, 820-5684.
  3. Refer to M3000 Hardware Documentation for Product Notes for different XCP versions.

  Copyright � 2012 Sun Microsystems, Inc.  All rights reserved.
 Feedback