Sun Microsystems, Inc.   Sun System Handbook - ISO 4.1 October 2012 Internal/Partner Edition
   Home | Current Systems | Former STK Products | EOL Systems | Components | General Info | Search | Feedback

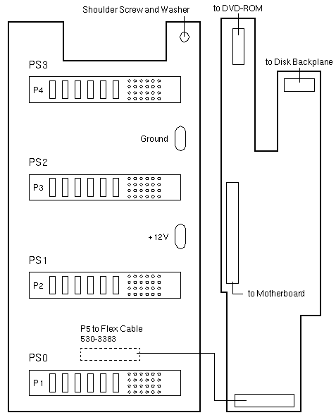
DC Power Distribution Board

Servers: Sun Fire X4600, X4600 M2, X4640

501-7052 530-3383
PDB
L
Flex Cable
L

Sun Fire X4600 Codename: Galaxy 4U
Sun Fire X4600 M2 Codename: Stuttgart
Sun Fire X4640 Codename: Phoenix

Notes

  1. Use a 7mm nutdriver to remove the two Bus Bar retaining nuts.
  2. Install the lower +12V Bus Bar 541-0335 first.
  3. Install the upper Ground Bus Bar 541-0334 second.

  Copyright � 2012 Sun Microsystems, Inc.  All rights reserved.
 Feedback