Sun Microsystems, Inc.   Sun System Handbook - ISO 4.1 October 2012 Internal/Partner Edition
   Home | Current Systems | Former STK Products | EOL Systems | Components | General Info | Search | Feedback

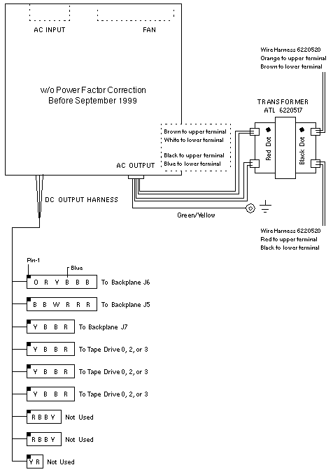
ATL 354 Watt Power Supply

Tape Libraries: StorEdge L1000

370-3531-01
ATL 6220518
Autec PCB-5300-4123
w Rocker Switch

Wire Color Codes
CODE COLOR VOLTAGE
B Black Gnd
B Blue -12V
O Orange +5
R Red +12V
W White -5V
Y Yellow +5V

DC Output
+5V +12V -12V
30A 16A 1A



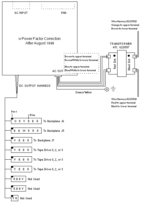
ATL 354 Watt Power Supply

Tape Libraries: StorEdge L1000

370-3531-02
ATL 6220571
YK Systems
w/o Rocker Switch

Wire Color Codes
CODE COLOR VOLTAGE
B Black Gnd
B Blue -12V
O Orange +5
R Red +12V
W White -5V
Y Yellow +5V

DC Output
+5V +12V -12V
30A 16A 1A

  Copyright � 2012 Sun Microsystems, Inc.  All rights reserved.
 Feedback