Sun Microsystems, Inc.   Sun System Handbook - ISO 4.1 October 2012 Internal/Partner Edition
   Home | Current Systems | Former STK Products | EOL Systems | Components | General Info | Search | Feedback

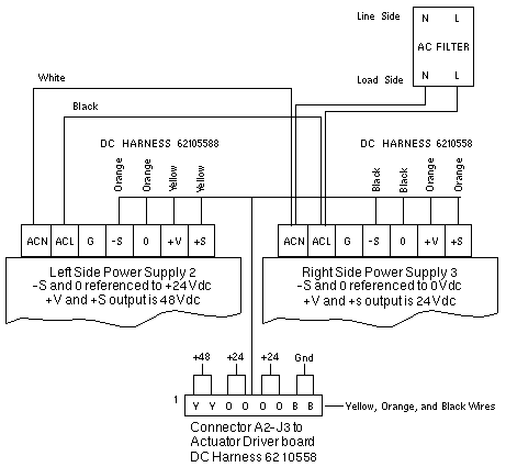
ATL 100 Watt Power Supply

Tape Libraries: ETL 4/1000, 4/1800, 7/3500
StorEdge L1800, L3500

300-1339
Volgen MRE-244R2U
AC Input Power Supply

Rear View

Wiring Diagram ETL 4/1000/1800


DC Output
+24V 4.2A

  Copyright � 2012 Sun Microsystems, Inc.  All rights reserved.
 Feedback