Sun Microsystems, Inc.   Sun System Handbook - ISO 4.1 October 2012 Internal/Partner Edition
   Home | Current Systems | Former STK Products | EOL Systems | Components | General Info | Search | Feedback



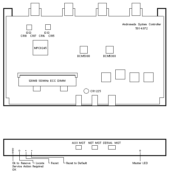
Chassis Monitoring Module

Servers: Sun Blade 8000, 8000P

Option 5041A-Z

501-6972 541-0388
CMM PCB
L
CMM Assy/FRU
L

Sun Blade 8000 Codename: Andromeda
Sun Blade 8000 P Codename: Andromeda 14

References

  1. Sun Blade 8000 P Modular System Documentation.

  Copyright � 2012 Sun Microsystems, Inc.  All rights reserved.
 Feedback