Sun Microsystems, Inc.   Sun System Handbook - ISO 4.1 October 2012 Internal/Partner Edition
   Home | Current Systems | Former STK Products | EOL Systems | Components | General Info | Search | Feedback

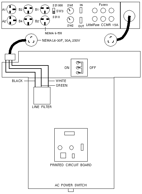
230V AC Power Sequencer

Option 964

300-1216
Sherwood Enterprises

Note

Any conversion to the Stacking Unit, including replacement of tthe AC Power Plug or AC Power Sequencer, voids all safety agency approvals.

  Copyright � 2012 Sun Microsystems, Inc.  All rights reserved.
 Feedback